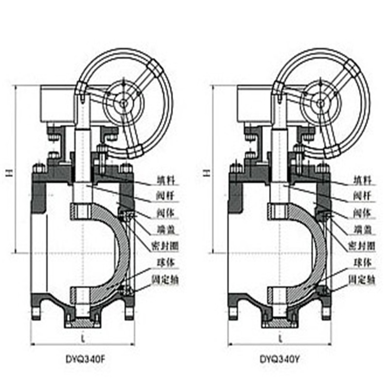
上装式偏心半球阀概述:
上装式偏心半球阀利用偏心阀体,偏心球体和阀座,阀杆作旋转运动时在共同轨迹自动定心,关闭过程中越关越紧,完全达到良好的密封目的。阀门的球体和阀座完全脱离,消除了密封圈的磨损,克服了传统球体阀座与球体密封面始终磨损的问题,非金属弹性材料被嵌入金属座中,阀座金属面受到良好的保护。本产品特别适用于钢铁业,铝业,纤维,微小固体颗粒,纸浆,煤灰,石油气等介质。
上装式偏心半球阀优点:
(1)压力损失小:全开时水损为零,流道完全畅通,且介质不会沉积在阀体中腔内;
(2)耐颗料磨损:V形开口的球冠与金属阀座之间具有剪切作用,在关闭过程中,只在**一刻球冠才靠向阀座,不形成磨擦,且阀座用耐磨的镍合金制成,不易被冲刷磨损,因而适用于含纤维、微小固体颗料、浆等;
(3)适合高流速介质:直通流道,坚固的偏心一曲轴使之适合高流速具无振动;
(4)寿命长:无易损部件,由于偏心作用,阀门启闭时密封面间无磨擦,则使用寿命长;
(5)维修方便:阀门维修时不需从管路上拆下,只要打开阀盖即可进行维修;
(6)广泛适用于水、污水、含微小固体颗料、水、蒸汽、煤气、天然气、油品等。
上装式偏心半球阀执行标准:
1.设计和制造:GB/T12237-1989;AP1608。
2.检验和试验:GB/T13927-1992;AP1598。
3.焊接连接:JB/T79.1~2-1994;ASME/ANSIB16.10
上装式偏心半球阀主要零件材质及代号:

上装式偏心半球阀主要连接尺寸:


